Tutaj można skonfigurować indywidualnie swój E-ChainSystem®. Wszystkie wprowadzone wartości i zmiany są przenoszone do listy części znajdującej się na końcu strony.
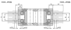
Seria 1500 z ochroną przed wyładowaniami elektrostatycznymi (ESD) - prowadnik, otwieranie zatrzaskowe wzdłuż promienia zewnętrznego
Seria E2/000 z ochroną przed wyładowaniami elektrostatycznymi (ESD)
to czwarta generacja prowadników igus® w tym rozmiarze. W serii tej uwzględniono
całość doświadczenia praktycznego: prosty i uniwersalny montaż
połączony z trwałością - wysoka wytrzymałość
połączona z cichą pracą, długą żywotnością
przewodów oraz szerokim wachlarzem opcji montażowych.
Konstrukcja ta jest
utrzymana we wszystkich modelach systemu E2/000. Jest to standardowy
produkt, któremu zaufali konstruktorzy maszyn
na całym świecie.
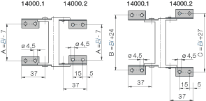
Dostępne szerokości wewnętrzne Bi: 15 do 80 mm
Dostępne promienie zgięcia R: 38 do 145 mm
Skok: 33,3 mm/ogniwo = 30 ogniw/m