Series 25 Classic

Model wycofywany z produkcji
25.2.055.0 product image
igus-icon-lupe
25.2.055.0 technical drawing
igus-icon-lupe
1 od 2
25.2.055.0 product image
25.2.055.0 technical drawing
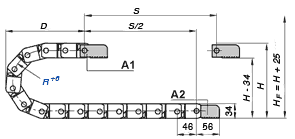
Wysokość wewnętrzna [Hi]
Wysokość wewnętrzna [Hi]
25 mm
Maks. średnica przewodu
Maks. średnica przewodu
23 mm
Zasada otwarcia
Zasada otwarcia
otwierane wzdłuż promienia zewnętrznego
Szerokość wewnętrzna [Bi]
Szerokość wewnętrzna [Bi]
38 mm
Promień gięcia [R]
Promień gięcia [R]
55 mm
Państwa zdanie jest dla nas Ważne. Co możemy dla Państwa ulepszyć?
igus-icon-globeJęzyk:polski|Kraj:Polska

Terminy "Apiro", "AutoChain", "CFRIP", "chainflex", "chainge", "chains for cranes", "ConProtect", "cradle-chain", "CTD", "drygear", "drylin", "dryspin", "dry-tech", "dryway", "easy chain", "e-chain", "e-chain systems", "e-ketten", "e-kettensysteme", "e-loop", "energy chain", "energy chain systems", "enjoyneering", "e-skin", "e-spool", "fixflex", "flizz", "i.Cee", "ibow", "igear", "iglidur", "igubal", "igumid", "igus", "igus improves what moves", "igus:bike", "igusGO", "igutex", "iguverse", "iguversum", "kineKIT", "kopla", "manus", "motion plastics", "motion polymers", "motionary", "plastics for longer life", "print2mold", "Rawbot", "RBTX", "readycable", "readychain", "ReBeL", "ReCyycle", "reguse", "robolink", "Rohbot", "savfe", "speedigus", "superwise", "take the dryway", "tribofilament", "tribotape", "triflex", "twisterchain", "when it moves, igus improves", "xirodur", "xiros" oraz "yes" są prawnie chronionymi znakami towarowymi firmy igus® SE & Co. KG/ Kolonia w Federalnej Republice Niemiec oraz, w przypadku niektórych, również w innych krajach. Jest to niepełna lista znaków towarowych (np. oczekujące na rozpatrzenie wnioski o rejestrację znaków towarowych lub zarejestrowane znaki towarowe) firmy igus SE & Co. KG lub spółek powiązanych z igus w Niemczech, w Unii Europejskiej, USA i/lub innych krajach lub jurysdykcjach.

igus® SE & Co. KG podkreśla, że nie sprzedaje żadnych produktów firm Allen Bradley, B&R, Baumüller, Beckhoff, Lahr, Control Techniques, Danaher Motion, ELAU, FAGOR, FANUC, Festo, Heidenhain, Jetter, Lenze, LinMot, LTi DRiVES , Mitsubishi, NUM, Parker, Bosch Rexroth, SEW, Siemens, Stöber oraz wszystkich innych producentów napędów wspomnianych na tej stronie. Produkty oferowane przez igus® należą do igus® SE & Co. KG.