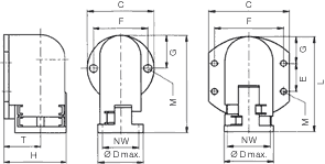
PMAFIX VOD: armatura przyłączeniowa kątowa 90° z kołnierzem
Te rodzaje połączeń śrubowych PMAFIX są odpowiednie do szerokiego spektrum zastosowań w połączeniu z
rurami karbowanymi PMAFLEX i zapewniają najwyższy poziom bezpieczeństwa i szczelności.
Cechy:
- IP66: armatura z fabrycznie montowanymi uniwersalnymi blokadami zabezpieczającymi (AFN2) i uszczelnieniem kołnierza (OR)
- IP68: armatura z blokadami owalnymi (OVN2), uszczelnieniem rury oraz kołnierza (NVN3, OR)