Prosimy wybrać kraj dostawy

Wybór kraju/regionu może mieć wpływ na różne czynniki, takie jak cena, opcje wysyłki i dostępność produktów.
Moja osoba do kontaktu
igus® Sp. z o.o.

ul. Działkowa 121C

02-234 Warszawa

+48 22 863 57 70
+48 22 863 61 69
PL(PL)

Konfigurator napędów liniowych drylin® SHT

Ty sam dobierasz swoją oś liniową. My ją dostarczamy!

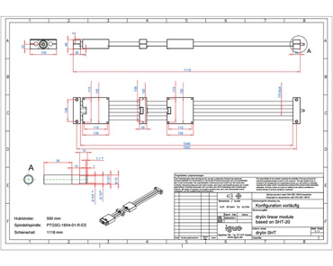
Oszczędzaj czas i zredukuj koszty. Złóż moduł liniowy SHT ze śrubą pociągową łatwo online za pomocą kilku kliknięć myszy. Rozmiar montażowy, materiały, skoki śruby pociągowej, wiele wózków, napęd przeciwny prawy/lewy, obróbka końcowa. Możemy to wszystko zrobić. Czy Twój moduł liniowy pasuje do środowiska aplikacji? Można to bardzo łatwo sprawdzić - dołącz model 3D CAD i rysunek wymiarowy 2D w formacie PDF. Czy chcesz sterować modułem liniowym ręcznie, czy za pomocą silnika? To także możemy zrobić. Po prostu wybierz akcesoria i odpowiedni silnik. Jak kontrolujesz silnik lub oś liniową? igus® też to potrafi. Wystarczy zamówić w tym samym czasie odpowiedni system sterowania silnikiem dryve. A jak złożyć zamówienie? Umieść w koszyku, złóż zamówienie i odbierz dostawę. Tym jest usługa igus®.
Przejdź do konfiguratora SHT
Skonfiguruj osie liniowe SHT ze śrubą pociągową

Zaledwie kilka kroków do gotowego napędu liniowego ze śrubą pociągową

Konfigurator drylin® SHT
  • Wybór 4 rozmiarów montażowych
  • Gwint trapezowy lub wielozwojny dryspin®
  • Wersje jedno- i wielowózkowe
  • Może być również skonfigurowany pod kątem zgodności z wymogami FDA dla sektora spożywczego i farmaceutycznego
  • NOWOŚĆ: silniki krokowe NEMA; prądu stałego EC/DC, systemy sterowania silnikiem dryve, przełączniki zbliżeniowe, przewód łączący

Konfigurator napędów liniowych drylin® SHT 1. Wprowadzenie parametrów zastosowania
Konfigurator napędów liniowych drylin® SHT 2. Konfiguracja systemu
Konfigurator napędów liniowych drylin® SHT 3. Konfiguracja pinu napędowego lub akcesoriów
Konfigurator napędów liniowych drylin® SHT 4. Podsumowanie
Konfigurator napędów liniowych drylin® SHT 5. Interaktywny model 3D CAD
Konfigurator napędów liniowych drylin® SHT 6. Pobieranie rysunku wymiarowego w formie pliku PDF

Technologia w górę z igus Technologia w górę
  • Narzędzie konfiguracyjne dostępne na stronie internetowej dla modułów liniowych SHT
  • Możliwość wyboru systemu z jednym lub wieloma wózkami
  • Szybki gwint wielozwojny dryspin® lub samohamowny gwint trapezowy
  • Moduł gotowy do montażu.
Koszty w dół z igus

Koszty w dół

    • Bezpośrednia konfigurowania modułu liniowego przy wykorzystaniu strony internetowej
    • Wszystkie części do siebie pasują
    • Skrócony czas projektowania dzięki gotowemu do podłączenia systemowi (napęd liniow / silnik / system sterowania)
    • Zaw. rysunek 2D i model 3D CAD
    igus udowadnia Dowód
    • Możliwość obliczenia żywotności online
    • Wszystkie skonfigurowane modele są czytelne i zrozumiałe
    • Zaw. rysunek 2D i model 3D CAD
    igus jest odnawialny Trwałość
    • igus wspiera gospodarkę cyrkulacyjną tworzyw sztucznych i inwestuje w recykling chemiczny. Dowiedz się więcej na temat: Plastic2Oil



    Terminy "Apiro", "AutoChain", "CFRIP", "chainflex", "chainge", "chains for cranes", "ConProtect", "cradle-chain", "CTD", "drygear", "drylin", "dryspin", "dry-tech", "dryway", "easy chain", "e-chain", "e-chain systems", "e-ketten", "e-kettensysteme", "e-loop", "energy chain", "energy chain systems", "enjoyneering", "e-skin", "e-spool", "fixflex", "flizz", "i.Cee", "ibow", "igear", "iglidur", "igubal", "igumid", "igus", "igus improves what moves", "igus:bike", "igusGO", "igutex", "iguverse", "iguversum", "kineKIT", "kopla", "manus", "motion plastics", "motion polymers", "motionary", "plastics for longer life", "print2mold", "Rawbot", "RBTX", "readycable", "readychain", "ReBeL", "ReCyycle", "reguse", "robolink", "Rohbot", "savfe", "speedigus", "superwise", "take the dryway", "tribofilament", "tribotape", "triflex", "twisterchain", "when it moves, igus improves", "xirodur", "xiros" oraz "yes" są prawnie chronionymi znakami towarowymi firmy igus® GmbH/ Kolonia w Federalnej Republice Niemiec oraz, w przypadku niektórych, również w innych krajach. Jest to niepełna lista znaków towarowych (np. oczekujące na rozpatrzenie wnioski o rejestrację znaków towarowych lub zarejestrowane znaki towarowe) firmy igus GmbH lub spółek powiązanych z igus w Niemczech, w Unii Europejskiej, USA i/lub innych krajach lub jurysdykcjach.

    igus® GmbH podkreśla, że nie sprzedaje żadnych produktów firm Allen Bradley, B&R, Baumüller, Beckhoff, Lahr, Control Techniques, Danaher Motion, ELAU, FAGOR, FANUC, Festo, Heidenhain, Jetter, Lenze, LinMot, LTi DRiVES , Mitsubishi, NUM, Parker, Bosch Rexroth, SEW, Siemens, Stöber oraz wszystkich innych producentów napędów wspomnianych na tej stronie. Produkty oferowane przez igus® należą do igus® GmbH.