Prosimy wybrać kraj dostawy

Wybór kraju/regionu może mieć wpływ na różne czynniki, takie jak cena, opcje wysyłki i dostępność produktów.
Moja osoba do kontaktu
igus® Sp. z o.o.

ul. Działkowa 121C

02-234 Warszawa

+48 22 863 57 70
+48 22 863 61 69
PL(PL)

SHT-12-ZB-AWM-10x12

Śruba bezluzowa w osi liniowej

Zatwierdzony moduł liniowy SHT jest teraz uzupełniony o dodatkowe komponenty, samonastawną, bezluzową nakrętkę gwintowaną. Do ruchów, które wymagają powtarzalnej dokładności oraz tych, które są realizowane za pomocą szybkiego gwintu 10x12 i 10x50, ZB zapewnia minimalny luz długotrwały.

Nie wymagające smarowania i serwisowania

Wysoka precyzja bez względu na obciążenia

Samonastawne

Cichy

Odporne na korozję


Obszary zastosowania:Technologia laboratoryjna i medyczna, obróbka mechaniczna elementów metalowych

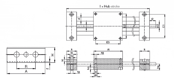
Wymiary [mm]

Numer katalogowy Długość podnoszenia Dodatkowa masa
wałka stalowego
maks. stat. nośność A Al H E1 E2 E3    
    [kg] (na 100 mm)[kg] osiowa[N] radialna[N] -0,3 -0,3   +0,15 +0,15 +0,15    
Czas dostawy na zapytanie SHT-08-ZB-AWM-6.35X12.7 (1) 300 0 100 400 65 65 23 52 55 55 na zapytanie Dodaj do koszyka
Dostawa 5-7 dni roboczych SHT-08-ZB-AWM-6X2P1 (1) 300 0 100 400 65 65 23 52 55 55 na zapytanie Dodaj do koszyka
Dostawa 2 - 3 tygodni SHT-12-ZB-10X12 (1) 500 0,8 0,2 150 600 85 34 70 73 73 na zapytanie Dodaj do koszyka
Więcej informacji na temat wybranego artykułu:
3D CAD 3D CAD
Zamówienie próbki Zamówienie próbki
PDF PDF
Zapytanie o cenę Zapytanie o cenę
myCatalog myCatalog

(1) Zakończone stożkowo końce wrzecion

Numer katalogowy I R f lt tk
±0,1
ts tg kt
±0,1
s sk sg kq d T l2 d2 ha
Czas dostawy na zapytanie SHT-08-ZB-AWM-6.35X12.7 (1) 96 32 1,5 15,5 10 5,5 M6 7 4,2 8 M5 4,6 8 6,35x12,7 17 6,35 13
Dostawa 5-7 dni roboczych SHT-08-ZB-AWM-6X2P1 (1) 96 32 1,5 15,5 10 5,5 M6 7 4,2 8 M5 4,6 8 TR6x2 17 TR6x2 13
Dostawa 2 - 3 tygodni SHT-12-ZB-10X12 (1) 2 11 6,6 M8 6,4 6,3 10 M6 6 12 10x12 17 10x12
Więcej informacji na temat wybranego artykułu:
3D CAD 3D CAD
Zamówienie próbki Zamówienie próbki
PDF PDF
Zapytanie o cenę Zapytanie o cenę
myCatalog myCatalog

(1) Zakończone stożkowo końce wrzecion


Dostawa 5-7 dni roboczych
Dostawa 2 - 3 tygodni
Czas dostawy na zapytanie

Terminy "Apiro", "AutoChain", "CFRIP", "chainflex", "chainge", "chains for cranes", "ConProtect", "cradle-chain", "CTD", "drygear", "drylin", "dryspin", "dry-tech", "dryway", "easy chain", "e-chain", "e-chain systems", "e-ketten", "e-kettensysteme", "e-loop", "energy chain", "energy chain systems", "enjoyneering", "e-skin", "e-spool", "fixflex", "flizz", "i.Cee", "ibow", "igear", "iglidur", "igubal", "igumid", "igus", "igus improves what moves", "igus:bike", "igusGO", "igutex", "iguverse", "iguversum", "kineKIT", "kopla", "manus", "motion plastics", "motion polymers", "motionary", "plastics for longer life", "print2mold", "Rawbot", "RBTX", "readycable", "readychain", "ReBeL", "ReCyycle", "reguse", "robolink", "Rohbot", "savfe", "speedigus", "superwise", "take the dryway", "tribofilament", "tribotape", "triflex", "twisterchain", "when it moves, igus improves", "xirodur", "xiros" oraz "yes" są prawnie chronionymi znakami towarowymi firmy igus® GmbH/ Kolonia w Federalnej Republice Niemiec oraz, w przypadku niektórych, również w innych krajach. Jest to niepełna lista znaków towarowych (np. oczekujące na rozpatrzenie wnioski o rejestrację znaków towarowych lub zarejestrowane znaki towarowe) firmy igus GmbH lub spółek powiązanych z igus w Niemczech, w Unii Europejskiej, USA i/lub innych krajach lub jurysdykcjach.

igus® GmbH podkreśla, że nie sprzedaje żadnych produktów firm Allen Bradley, B&R, Baumüller, Beckhoff, Lahr, Control Techniques, Danaher Motion, ELAU, FAGOR, FANUC, Festo, Heidenhain, Jetter, Lenze, LinMot, LTi DRiVES , Mitsubishi, NUM, Parker, Bosch Rexroth, SEW, Siemens, Stöber oraz wszystkich innych producentów napędów wspomnianych na tej stronie. Produkty oferowane przez igus® należą do igus® GmbH.