Prosimy wybrać kraj dostawy

Wybór kraju/regionu może mieć wpływ na różne czynniki, takie jak cena, opcje wysyłki i dostępność produktów.
Moja osoba do kontaktu
igus® Sp. z o.o.

ul. Działkowa 121C

02-234 Warszawa

+48 22 863 57 70
+48 22 863 61 69
PL(PL)

Stolik krzyżowy o szczególnych właściwościach

Wysoka precyzja, niezwykła sztywność oraz dokładne wyrównanie za pomocą prdukcji CNC.

Dostępne w wersji standardowej i dociążonej

W 100% bezzsmarowe i nierdzewne

Regulacja przy pomocy gwintu TR 10x2

Zamocowanie górnego stolika z wyjściem śruby po prawej lub lewej stronie

Dostępne akcesoria (korba, wskaźnik)

Stolik krzyżowy

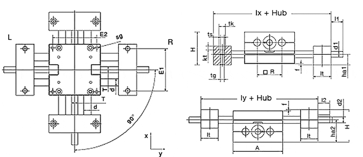
SHT-XY - rozmiary montażowe stołów krzyżowych

Stół krzyżowy drylin SHT-XY-08-AWM

SHT-XY-08-AWM

  • Maks. długość skoku: 150 mm
  • Długość wózka: 65 mm
  • Materiał wału: aluminium
  • Średnica wału: 8 mm
Stół krzyżowy drylin SHT-XY-12-AWM

SHT-XY-12-AWM

  • Maks. długość skoku: 350 mm
  • Długość wózka: 85 mm
  • Materiał wału: aluminium
  • Średnica wału: 12 mm

Ze wstępnym naprężeniem sprężyny — wersje PL

Stół krzyżowy drylin SHT-XY-12-AWM-PL

SHT-XY-12-AWM-PL

  • Maks. długość skoku: 350 mm
  • Długość wózka: 85 mm
  • Materiał wału: aluminium
  • Średnica wału: 12 mm
  • Z naprężeniem wstępnym
Stół krzyżowy drylin SHT-XY-20-EWM-PL

SHT-XY-20-EWM-PL

  • Maks. długość skoku: 500 mm
  • Długość wózka: 130 mm
  • Materiał wałka: stal nierdzewna
  • Średnica wału: 20 mm
  • Z naprężeniem wstępnym

SHT/SHT-PL - Krzyżowy


Długości oraz masy stolika krzyżowego [mm]

Nr kat. A
-0,3
[mm]
H
 
[mm]
E1
±0,15
[mm]
E2
±0,15
[mm]
Długość
podstawy lx
[mm]
Podstawa-
długość ly
[mm]
R
 
[mm]
f
 
[mm]
lt
±0,1
[mm]
tk
 
[mm]
ts
 
[mm]
tg
 
kt
 
[mm]
Dostawa 2 - 3 tygodni SHT-XY-12 85 56 70 73 145 145 42 2 30 11 6,6 M8 6,4
Dostawa 2 - 3 tygodni SHT-XY-08 65 42 52 56 96 96 32 1,5 15,5 10 5,5 M6 7
Dostawa 2 - 3 tygodni SHT-XY-12-PL 85 56 70 73 145 145 42 2 30 11 6,6 M8 6,4
Dostawa 2 - 3 tygodni SHT-XY-20-EWM-PL 130 86 108 115 202 202 72 2 36 15 9 M10 8,6
Więcej informacji na temat wybranego artykułu:
3D CAD 3D CAD
Zamówienie próbki Zamówienie próbki
PDF PDF
Zapytanie o cenę Zapytanie o cenę
myCatalog myCatalog

Wymiary stolika krzyżowego [mm]

Nr zamówienia sg


d

[mm]
T

l1

[mm]
d1
Standard
d1
alternatywne
l2

[mm]
d2
Standard
d2
alternatywne
ha1

[mm]
ha2

[mm]
W
ha2-ha1
[mm]
Dostawa 2 - 3 tygodni SHT-XY-12 M6 12 TR10x2 17 TR10x2 6h9 17 6h9 18 38 20
Dostawa 2 - 3 tygodni SHT-XY-08 M5 8 TR6x2/TR6,35x2,54 15,5 TR6x2/TR6,35x2,54 5 15 5 13 29 16
Dostawa 2 - 3 tygodni SHT-XY-12-PL M6 12 TR10x2 17 TR10x2 6h9 17 6h9 18 38 20
Dostawa 2 - 3 tygodni SHT-XY-20-EWM-PL M8 20 TR18x4 26 TR18x4 - 26 12h9 23 63 40
Więcej informacji na temat wybranego artykułu:
3D CAD 3D CAD
Zamówienie próbki Zamówienie próbki
PDF PDF
Zapytanie o cenę Zapytanie o cenę
myCatalog myCatalog
Mogą Państwo zamówić pokrętło osi Y z montażem lewo lub prawo stronnym.
Lewy: SHT-XY-12-AWM-L-200-300 do długości skoku 200 mm w kierunku x i 300 mm w kierunku y.
Prawy: SHT-XY-12-AWM-R-200-300 do długości skoku 200 mm w kierunku x i 300 mm w kierunku y

Opcje techniczne dla serii SHT

Dla asortymentu produktów SHT-XY mogą być dostarczone następujące opcje.


Więcej informacji oraz akcesoria do stolika krzyżowego



Dostawa 2 - 3 tygodni

Terminy "Apiro", "AutoChain", "CFRIP", "chainflex", "chainge", "chains for cranes", "ConProtect", "cradle-chain", "CTD", "drygear", "drylin", "dryspin", "dry-tech", "dryway", "easy chain", "e-chain", "e-chain systems", "e-ketten", "e-kettensysteme", "e-loop", "energy chain", "energy chain systems", "enjoyneering", "e-skin", "e-spool", "fixflex", "flizz", "i.Cee", "ibow", "igear", "iglidur", "igubal", "igumid", "igus", "igus improves what moves", "igus:bike", "igusGO", "igutex", "iguverse", "iguversum", "kineKIT", "kopla", "manus", "motion plastics", "motion polymers", "motionary", "plastics for longer life", "print2mold", "Rawbot", "RBTX", "readycable", "readychain", "ReBeL", "ReCyycle", "reguse", "robolink", "Rohbot", "savfe", "speedigus", "superwise", "take the dryway", "tribofilament", "tribotape", "triflex", "twisterchain", "when it moves, igus improves", "xirodur", "xiros" oraz "yes" są prawnie chronionymi znakami towarowymi firmy igus® GmbH/ Kolonia w Federalnej Republice Niemiec oraz, w przypadku niektórych, również w innych krajach. Jest to niepełna lista znaków towarowych (np. oczekujące na rozpatrzenie wnioski o rejestrację znaków towarowych lub zarejestrowane znaki towarowe) firmy igus GmbH lub spółek powiązanych z igus w Niemczech, w Unii Europejskiej, USA i/lub innych krajach lub jurysdykcjach.

igus® GmbH podkreśla, że nie sprzedaje żadnych produktów firm Allen Bradley, B&R, Baumüller, Beckhoff, Lahr, Control Techniques, Danaher Motion, ELAU, FAGOR, FANUC, Festo, Heidenhain, Jetter, Lenze, LinMot, LTi DRiVES , Mitsubishi, NUM, Parker, Bosch Rexroth, SEW, Siemens, Stöber oraz wszystkich innych producentów napędów wspomnianych na tej stronie. Produkty oferowane przez igus® należą do igus® GmbH.