Change Language :

Jednostka udarowo-obrotowa drylin® jest oparta na napędzie zębatkowym z powlekanym aluminiowym profilem kwadratowym i elementem stołu obrotowego ze zintegrowanymi zębami do mocowania paska zębatego. Oba kierunki ruchu są wspierane przez elementy łożyskowe wykonane z wysokowydajnych polimerów iglidur® i są całkowicie bezsmarowe i bezobsługowe. Połączenie tworzywa sztucznego i aluminium zapewnia niezwykle lekką konstrukcję i może być skonfigurowane jako gotowe do montażu z technologią silników krokowych drylin® E
Typowe obszary zastosowań: Pipetory, technologia laboratoryjna i analityczna, technologia chwytaków, systemy pick & place, technologia medyczna, ...
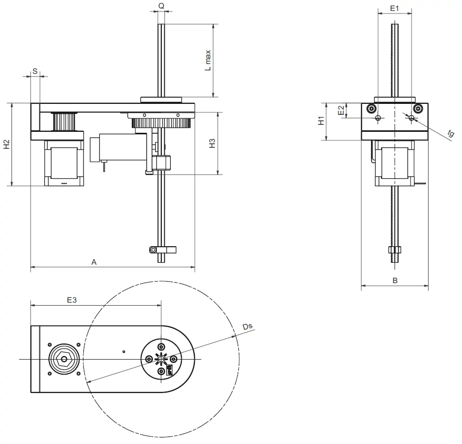
Wymiary [mm]
| Nr art. | F [g] | vL | vR | L maks. ±0,15 | Ds ±0,15 | A | B ±0,15 | H1 | H2 | H3 | E1 | E2 | E3 | Q | tg h9 | S |
|---|---|---|---|---|---|---|---|---|---|---|---|---|---|---|---|---|
| HSQ-10-1440-* | 300 | 0,5 | 0,4 | 200 | 168 | 177 | 72 | 40 | 89 | 67 | 36 | 16 | 140 | 7,5 | 5,3 | 10 |

Wymiary [mm]
| Nr art. | Q | ls | L | H | B | B1 | B2 | d | B3 | B4 | d1 |
|---|---|---|---|---|---|---|---|---|---|---|---|
| STZ-Q10-01-AM | 7,5 | 15 | 19 | 25 | 45 | 27 | 12 | 4 | 30,5 | 10 | 3,5 |

Wymiary [mm]
| Nr art. | B | A | H | A1 | Q |
|---|---|---|---|---|---|
| STZ-Q10-01-AM | 7 | 28,5 | 13 | 12,8 | 7,5 |


Osobista:
Od poniedziałku do piątku: 7:00–20:00
Sobota: 8:00–12:00
Online:
Umów spotkanie z ekspertem