Prosimy wybrać kraj dostawy

Wybór kraju/regionu może mieć wpływ na różne czynniki, takie jak cena, opcje wysyłki i dostępność produktów.
Moja osoba do kontaktu
igus® Sp. z o.o.

ul. Działkowa 121C

02-234 Warszawa

+48 22 863 57 70
+48 22 863 61 69
PL(PL)

SHTP-FF stolik liniowy z funkcją szybkiego wyczepienia

SHTP-FF stoliki liniowe z mechanizmem szybkiego wyczepienia oferują połączenie precyzyjnego pozycjonowania z szybką regulacja ręczną.

lżejszy model z twałych polimerów

Dla szybkich regulacji formatu

Blokada hamulców

Dowolnie wybierane długości posuwu

Zalecane tylko do aplikacji poziomych

Max. statyczne obciążenie osiowe 200 N

Max. dynamiczne obciążenie osiowe 50 N

SHTP-FF

Pasujące do tego artykułu:


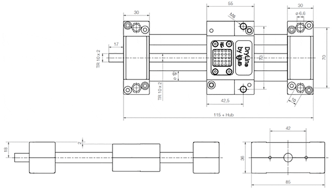
Nr artykułu A Al H E1 E2 E3 L r f lt tk ts kt
  -0,3 -0,3   ±0,15 ±0,15 ±0,15 [mm] [mm] [mm] ±0,1 ±0,1    
Dostawa 5-7 dni roboczych SHTP-01-12-AWM-FF (1) 85 55 36 70 73 42,5 115 42 2 30 10 6,6 0
Więcej informacji na temat wybranego artykułu:
3D CAD 3D CAD
Zamówienie próbki Zamówienie próbki
PDF PDF
Zapytanie o cenę Zapytanie o cenę
myCatalog myCatalog

(1) Folie ślizgowe i nakrętka trapezowa wrzeciona wykonane z iglidur® J

Nr artykułu sg d t l2 d2* ha Max.
Długość skoku
Waga Dodatkowa waga

   
          Standardowe   [mm] [kg] co 100 mm    
Dostawa 5-7 dni roboczych SHTP-01-12-AWM-FF (1) M6 12 TR10x2 17 TR10x2 18 500 0,35 0,11 na zapytanie Dodaj do koszyka
Więcej informacji na temat wybranego artykułu:
3D CAD 3D CAD
Zamówienie próbki Zamówienie próbki
PDF PDF
Zapytanie o cenę Zapytanie o cenę
myCatalog myCatalog

(1) Folie ślizgowe i nakrętka trapezowa wrzeciona wykonane z iglidur® J

Więcej informacji:


Pasujące do tego artykułu:

24 - 48 godzin - Magazyn Polska drylin® E - informacje ogólne o produktach

Stały rozwój zestawu narzędzi i systemu niewymagającej smarowania technologii napędowej drylin®.

24 - 48 godzin - Magazyn Polska
Dostawa 5-7 dni roboczych

Terminy "Apiro", "AutoChain", "CFRIP", "chainflex", "chainge", "chains for cranes", "ConProtect", "cradle-chain", "CTD", "drygear", "drylin", "dryspin", "dry-tech", "dryway", "easy chain", "e-chain", "e-chain systems", "e-ketten", "e-kettensysteme", "e-loop", "energy chain", "energy chain systems", "enjoyneering", "e-skin", "e-spool", "fixflex", "flizz", "i.Cee", "ibow", "igear", "iglidur", "igubal", "igumid", "igus", "igus improves what moves", "igus:bike", "igusGO", "igutex", "iguverse", "iguversum", "kineKIT", "kopla", "manus", "motion plastics", "motion polymers", "motionary", "plastics for longer life", "print2mold", "Rawbot", "RBTX", "readycable", "readychain", "ReBeL", "ReCyycle", "reguse", "robolink", "Rohbot", "savfe", "speedigus", "superwise", "take the dryway", "tribofilament", "tribotape", "triflex", "twisterchain", "when it moves, igus improves", "xirodur", "xiros" oraz "yes" są prawnie chronionymi znakami towarowymi firmy igus® GmbH/ Kolonia w Federalnej Republice Niemiec oraz, w przypadku niektórych, również w innych krajach. Jest to niepełna lista znaków towarowych (np. oczekujące na rozpatrzenie wnioski o rejestrację znaków towarowych lub zarejestrowane znaki towarowe) firmy igus GmbH lub spółek powiązanych z igus w Niemczech, w Unii Europejskiej, USA i/lub innych krajach lub jurysdykcjach.

igus® GmbH podkreśla, że nie sprzedaje żadnych produktów firm Allen Bradley, B&R, Baumüller, Beckhoff, Lahr, Control Techniques, Danaher Motion, ELAU, FAGOR, FANUC, Festo, Heidenhain, Jetter, Lenze, LinMot, LTi DRiVES , Mitsubishi, NUM, Parker, Bosch Rexroth, SEW, Siemens, Stöber oraz wszystkich innych producentów napędów wspomnianych na tej stronie. Produkty oferowane przez igus® należą do igus® GmbH.