Change Language :
Oś z paskiem zębatym drylin® ZLW-1040 jest idealnym rozwiązaniem dla wielu zadań pozycjonowania. Wysokość prześwitu wynosi tylko 45 mm. Długość skoku można dowolnie wybierać (maksymalnie 2000 milimetrów). Wózek jest dostępny w 3 rozmiarach. drylin® ZLW-1040 jest dostępny w seriach "Basic 02" i "Standard 02". Dostępny również jako model podstawowy w serii econ.


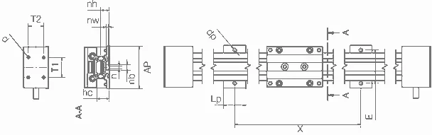
Określ położenie wału napędowego (prawy lub lewy), w kierunku widoku x!
1 = wał napędowy w lewo
2 = prawy wał napędowy
x = kierunek widzenia wału napędowego

Osobista:
Od poniedziałku do piątku: 7:00–20:00
Sobota: 8:00–12:00
Online:
Umów spotkanie z ekspertem