Change Language :

Wersja LT do zastosowań w głębokim mrożeniu do -30°C
Wersja UW do zastosowań podwodnych
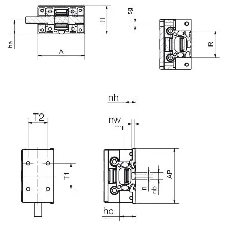
Sprawdzone osie z paskiem zębatym drylin®® zostały opracowane z myślą o szybkim pozycjonowaniu małych ładunków. Oprócz niskiej masy własnej prowadnicy i wózka, co skutkuje niską bezwładnością, jednostki liniowe napędzane paskiem zębatym są odporne na korozję, lekkie i kompaktowe.
* Dłuższe skoki na żądanie
| Dane techniczne | ZLW-1040-LT do zastosowań wymagających głębokiego mrożenia | ZLW-1040-UW do użytku pod wodą |
|---|---|---|
| Masa bez skoku [kg] | 1 | 1 |
| Waga Skok 100 mm [kg] | 0,14 | 0,14 |
| maks. długość skoku [mm] | 2.000 | 1000 |
| Przełożenie [mm/U] | 70 | 70 |
| Profil zęba | AT5 | AT5 |
| Materiał paska zębatego | TPUKF2 | PU z elementami napinającymi ze stali nierdzewnej |
| Szerokość paska zębatego [mm] | 16 | 16 |
| Napęcie paska [N] | 200 | 50 |
| Maks. Obciążenie promieniowe [N] | 300 | 100 |
| Łożysko <br />prowadzące | Łożysko kulkowe na zimno | Łożyska kulkowe xiros® |
| Maks. Prędkość [m/s] | 5 | 1 |
| Maks. Odchylenie położenia prowadnicy, zależne od obciążenia [mm] | ±0,2 | ± 0,5 |

Osobista:
Od poniedziałku do piątku: 7:00–20:00
Sobota: 8:00–12:00
Online:
Umów spotkanie z ekspertem