Change Language :

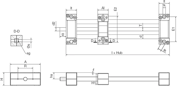
Moduł liniowy SHTP jest częścią ekonomicznej serii econ. Poprzeczki i prowadnice serii SHTP są produkowane metodą formowania wtryskowego. Istnieje możliwość wyboru materiału, z którego wykonany jest okrągły wał i trzpień. Pozwala to uzyskać niezwykle lekką konstrukcję z wałami z włókna węglowego lub aluminium.


Osobista:
Od poniedziałku do piątku: 7:00–20:00
Sobota: 8:00–12:00
Online:
Umów spotkanie z ekspertem