Prosimy wybrać kraj dostawy

Wybór kraju/regionu może mieć wpływ na różne czynniki, takie jak cena, opcje wysyłki i dostępność produktów.
Moja osoba do kontaktu
igus® Sp. z o.o.

ul. Działkowa 121C

02-234 Warszawa

+48 22 863 57 70
+48 22 863 61 69
PL(PL)

Prowadnik biurowy OCO - Studium konstrukcji

Łatwe wypełnianie dzięki konstrukcji "easy"

Prowadnik biurowy OCO.20 to prosty system zasilania dla biura. Nie ma określonego promienia i można go ustawić w dwóch kierunkach. Można go również bardzo łatwo skrócić lub wydłużyć. Uchwyty montażowe wyglądają bardzo podobnie do ogniw łańcucha i różnią się wbudowanymi magnesami, za pomocą których OCO można łatwo przymocować do metalowego biurka. Możliwe jest również połączenie śrubowe do montażu na biurku, dla którego przewidziano dwa małe otwory.
Wyślij zapytanie już teraz

Technologia w górę

Technologia w górę

  • Zoptymalizowana konstrukcja
  • Elastyczne dopasowanie
  • Łatwy do wydłużania i skracania
  • Uchwyty montażowe z zamontowanymi magnesami
    ułatwiają mocowanie
  • Dobra siła trzymania  ogniw e-prowadnika, do 150 N
Koszty w dół

Koszty w dół

  • Oszczędzaj czas i koszty instalacji poprzez wypełnianie bez użycia narzędzi dzięki konstrukcji "easy"
  • Zamów wymaganą długość
  • Ekonomiczny zakup
Dowód

Dowód

  • Próba rozciągania siły trzymania e-prowadnika OCO.20: prototypy drukowane w 3D przeszły udane próby rozciągania wykazując siłę trzymania wynoszącą 420 N
Odnawialność

Odnawialność

  • Bez bisfenolu A (bez BPA)
  • W 100% nie zawierające halogenu, szczególnie odpowiednie do zastosowania  w budynkach użyteczności publicznej
  • Oddaj swoje e-prowadniki do recyklingu w ramach programu igus eko-prowadnik pod koniec
    ich żywotności. Niezależnie od ich producenta.  Otrzymasz voucher programu recykglingu chainge
  • igus wspiera gospodarkę recyklingu tworzyw sztucznych oraz inwestuje w recykling chemiczny

Prowadnik biurowy OCO.20


To proste:

Otwarcie, zgodnie z zasadą easy nie znajduje się pośrodku, ale jest przesunięte na bok. Instalując naprzemiennie ogniwa prowadnika, gniazda są rozłożone, co zapewnia, że przewody można łatwo włożyć, ale jednocześnie nie mogą wypaść.
Prowadnik biurowy OCO.20

 
Wbudowane magnesy do łatwego przymocowania do metalowych biurek
Prowadnik biurowy OCO.20

 
Możliwe jest również opcjonalne połączenie śrubowe

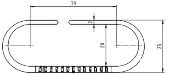
Dane techniczne

Prowadnik biurowy OCO.20 - Dane techniczne


Nr art.Wysokość wewnętrznaWysokość zewnętrznaSzerokość wewnętrznaSzerokość zewnętrzna
OCO.2020 mm25 mm39 mm64 mm

Dostępne na zapytanie
 
Wyślij zapytanie już teraz

Podobne produkty

Prowadnik biurowy OCR

Prowadnik biurowy OCR

Magnetyczne klipsy montażowe do swobodnego połączenia pośredniego i łatwego przypięcia prowadnika
Prowadnik biurowy ZF14

Prowadnik biurowy ZF14

Szybki montaż przewodów. Możliwość szybkiego zamocowania e-prowadnika posiadającego certyfikat UL94-V2
triflex R

3-osiowy e-prowadnik triflex R

Prosta konstrukcja - dla łatwego i szybkiego wypełniania. Około +/- 10° skręcenia na ogniwo prowadnika

Więcej informacji

Aktualności na rok 2020

Przegląd nowości e-prowadników 2020

Odkryj w tym miejscu kolejne nowości 2020 z zakresu e-prowadników dla różnych aplikacji.
Katalog nowych produktów na rok 2020

Katalog nowości 2020

Wszystkie potrzebne informacje na temat naszych nowych produktów i dodatków do asortymentu w bezpłatnym katalogu.
e-prowadniki

e-prowadniki

Możliwość instalacji w przestrzeniach o wielu różnych wymiarach i kształtach oraz przy zróżnicowanych warunkach środowiskowych.  Szeroki wybór produktów - odpowiednie rozwiązanie od ręki. Z 36-miesięczną gwarancją.


Terminy "Apiro", "AutoChain", "CFRIP", "chainflex", "chainge", "chains for cranes", "ConProtect", "cradle-chain", "CTD", "drygear", "drylin", "dryspin", "dry-tech", "dryway", "easy chain", "e-chain", "e-chain systems", "e-ketten", "e-kettensysteme", "e-loop", "energy chain", "energy chain systems", "enjoyneering", "e-skin", "e-spool", "fixflex", "flizz", "i.Cee", "ibow", "igear", "iglidur", "igubal", "igumid", "igus", "igus improves what moves", "igus:bike", "igusGO", "igutex", "iguverse", "iguversum", "kineKIT", "kopla", "manus", "motion plastics", "motion polymers", "motionary", "plastics for longer life", "print2mold", "Rawbot", "RBTX", "readycable", "readychain", "ReBeL", "ReCyycle", "reguse", "robolink", "Rohbot", "savfe", "speedigus", "superwise", "take the dryway", "tribofilament", "tribotape", "triflex", "twisterchain", "when it moves, igus improves", "xirodur", "xiros" oraz "yes" są prawnie chronionymi znakami towarowymi firmy igus® GmbH/ Kolonia w Federalnej Republice Niemiec oraz, w przypadku niektórych, również w innych krajach. Jest to niepełna lista znaków towarowych (np. oczekujące na rozpatrzenie wnioski o rejestrację znaków towarowych lub zarejestrowane znaki towarowe) firmy igus GmbH lub spółek powiązanych z igus w Niemczech, w Unii Europejskiej, USA i/lub innych krajach lub jurysdykcjach.

igus® GmbH podkreśla, że nie sprzedaje żadnych produktów firm Allen Bradley, B&R, Baumüller, Beckhoff, Lahr, Control Techniques, Danaher Motion, ELAU, FAGOR, FANUC, Festo, Heidenhain, Jetter, Lenze, LinMot, LTi DRiVES , Mitsubishi, NUM, Parker, Bosch Rexroth, SEW, Siemens, Stöber oraz wszystkich innych producentów napędów wspomnianych na tej stronie. Produkty oferowane przez igus® należą do igus® GmbH.