Prosimy wybrać kraj dostawy

Wybór kraju/regionu może mieć wpływ na różne czynniki, takie jak cena, opcje wysyłki i dostępność produktów.
Moja osoba do kontaktu
igus® Sp. z o.o.

ul. Działkowa 121C

02-234 Warszawa

+48 22 863 57 70
+48 22 863 61 69
PL(PL)

drylin® N - System prowadnic niskoprofilowych NK-02-27

Nr kat. maks. długość szyny a C4 A3 C5=C6 h h1 K1* ly lz Masa szyny Cena / m  
  [L max.]       min. max.       [mm2] [mm2] [g/m]    
24 - 48 godzin - Magazyn Polska NS-01-27 3000 27 60 0 20 20/49,5 9 1,1 M4 6524 588 290 127,66 PLN Dodaj do koszyka
24 - 48 godzin - Magazyn Polska NS-01-27-UNGEBOHRT 3000 27 0 0 0 9 1,1 0 6524 588 290 116,17 PLN Dodaj do koszyka
Dostawa 5-7 dni roboczych NS-01-27-AR 3000 27 60 0 20 20/49,5 9 1,1 M4 6524 588 290 153,20 PLN Dodaj do koszyka
Więcej informacji na temat wybranego artykułu:
3D CAD 3D CAD
Zamówienie próbki Zamówienie próbki
PDF PDF
Zapytanie o cenę Zapytanie o cenę
myCatalog myCatalog

W celu zamówienia szyn bez otworów, w uwagach trzeba dopisać „bez otworów”.
* Do śrub cylindrycznych z niskim łbem

Wersja 01: Wózek z nakrętkami montażowymi

Nr kat. Masa wózka    
  [g]    
Dostawa 5-7 dni roboczych NW-02-27-HT 12,5 48,68 PLN Dodaj do koszyka
24 - 48 godzin - Magazyn Polska NW-02-27-P 12,5 19,50 PLN Dodaj do koszyka
Dostawa 5-7 dni roboczych NW-02-27-LLY 12,5 19,50 PLN Dodaj do koszyka
Dostawa 5-7 dni roboczych NW-02-27-LLZ 12,5 19,50 PLN Dodaj do koszyka
Dostawa 5-7 dni roboczych NW-02-27-LLYZ 12,5 19,50 PLN Dodaj do koszyka
Więcej informacji na temat wybranego artykułu:
3D CAD 3D CAD
Zamówienie próbki Zamówienie próbki
PDF PDF
Zapytanie o cenę Zapytanie o cenę
myCatalog myCatalog

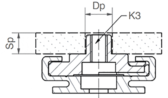
Wersja 01: Wymiary [mm] - wózki prowadzące

Nr artykułu H A C C1 C2 A2 H2 K2 K3 K4 Spmin DpØmin. Waga
  ±0,35                       [g/m]
Dostawa 5-7 dni roboczych NW-02-27-HT 9,5 14 40 30 20 0 0 6,5 12,5
24 - 48 godzin - Magazyn Polska NW-02-27-P 9,5 14 40 30 20 0 0 M4 5 6,5 12,5
Dostawa 5-7 dni roboczych NW-02-27-LLY 9,5 14 40 30 20 0 0 M4 5 6,5 12,5
Dostawa 5-7 dni roboczych NW-02-27-LLZ 9,5 14 40 30 20 0 0 M4 5 6,5 12,5
Dostawa 5-7 dni roboczych NW-02-27-LLYZ 9,5 14 40 30 20 0 0 M4 5 6,5 12,5
Więcej informacji na temat wybranego artykułu:
3D CAD 3D CAD
Zamówienie próbki Zamówienie próbki
PDF PDF
Zapytanie o cenę Zapytanie o cenę
myCatalog myCatalog

Wersja 12: sanie z otworem nagwintowanym, formowane metodą wtryskową

Nr kat. Masa wózka    
  [g]    
Dostawa 5-7 dni roboczych NW-12-27-LLY 13 19,50 PLN Dodaj do koszyka
Dostawa 5-7 dni roboczych NW-12-27-LLZ 13 19,50 PLN Dodaj do koszyka
Dostawa 5-7 dni roboczych NW-12-27-LLYZ 13 19,50 PLN Dodaj do koszyka
Więcej informacji na temat wybranego artykułu:
3D CAD 3D CAD
Zamówienie próbki Zamówienie próbki
PDF PDF
Zapytanie o cenę Zapytanie o cenę
myCatalog myCatalog

Wersja 12: Wymiary [mm] - wózki prowadzące

Nr artykułu H A C C1 C2 A2 H2 K2 K3 K4 Spmin DpØmin. Waga
  ±0,35                       [g/m]
Dostawa 5-7 dni roboczych NW-12-27-LLY 9,5 14 34 30 20 0 0 M4 5 6,5 13
Dostawa 5-7 dni roboczych NW-12-27-LLZ 9,5 14 34 30 20 0 0 M4 5 6,5 13
Dostawa 5-7 dni roboczych NW-12-27-LLYZ 9,5 14 34 30 20 0 0 M4 5 6,5 13
Więcej informacji na temat wybranego artykułu:
3D CAD 3D CAD
Zamówienie próbki Zamówienie próbki
PDF PDF
Zapytanie o cenę Zapytanie o cenę
myCatalog myCatalog

Zamówienie kompletnego zestawu

Konfiguracja w 3 krokach:

1. Wybór ilości wózków
2. Wybór typu wózków
3. Wprowadzenie długości szyny
4. Wybór opcji wózków
5.

Podpowiedź:

Szczegółowe informacje dostępne są poniżej na rysunkach, a także na stronach wymienionych poniżej. Dokładne specyfikacje dla opcji łożysk przesuwnych można uzyskać w ramach norm konstrukcyjnych.
1

bez łożyska swobodnego

2

Łożysko swobodne w kierunku Z

3

Łożysko swobodne w kierunku Y

4

Łożysko swobodne w kierunku YZ

drylin® NK – kompletny zestaw

Krok 1

Podaj liczbę wózków.

technical drawing
Ilość wózków:


24 - 48 godzin - Magazyn Polska
Dostawa 5-7 dni roboczych

Terminy "Apiro", "AutoChain", "CFRIP", "chainflex", "chainge", "chains for cranes", "ConProtect", "cradle-chain", "CTD", "drygear", "drylin", "dryspin", "dry-tech", "dryway", "easy chain", "e-chain", "e-chain systems", "e-ketten", "e-kettensysteme", "e-loop", "energy chain", "energy chain systems", "enjoyneering", "e-skin", "e-spool", "fixflex", "flizz", "i.Cee", "ibow", "igear", "iglidur", "igubal", "igumid", "igus", "igus improves what moves", "igus:bike", "igusGO", "igutex", "iguverse", "iguversum", "kineKIT", "kopla", "manus", "motion plastics", "motion polymers", "motionary", "plastics for longer life", "print2mold", "Rawbot", "RBTX", "readycable", "readychain", "ReBeL", "ReCyycle", "reguse", "robolink", "Rohbot", "savfe", "speedigus", "superwise", "take the dryway", "tribofilament", "tribotape", "triflex", "twisterchain", "when it moves, igus improves", "xirodur", "xiros" oraz "yes" są prawnie chronionymi znakami towarowymi firmy igus® GmbH/ Kolonia w Federalnej Republice Niemiec oraz, w przypadku niektórych, również w innych krajach. Jest to niepełna lista znaków towarowych (np. oczekujące na rozpatrzenie wnioski o rejestrację znaków towarowych lub zarejestrowane znaki towarowe) firmy igus GmbH lub spółek powiązanych z igus w Niemczech, w Unii Europejskiej, USA i/lub innych krajach lub jurysdykcjach.

igus® GmbH podkreśla, że nie sprzedaje żadnych produktów firm Allen Bradley, B&R, Baumüller, Beckhoff, Lahr, Control Techniques, Danaher Motion, ELAU, FAGOR, FANUC, Festo, Heidenhain, Jetter, Lenze, LinMot, LTi DRiVES , Mitsubishi, NUM, Parker, Bosch Rexroth, SEW, Siemens, Stöber oraz wszystkich innych producentów napędów wspomnianych na tej stronie. Produkty oferowane przez igus® należą do igus® GmbH.